产品介绍:
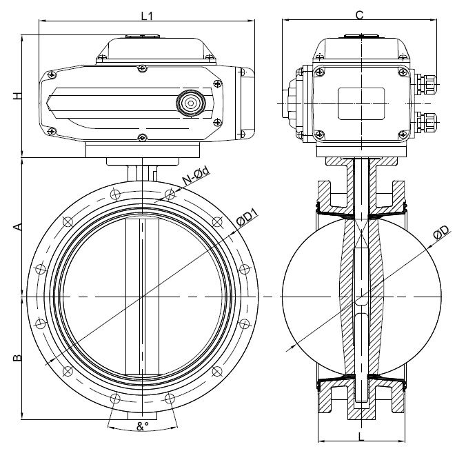
法兰中心板蝶阀结合了偏心法兰蝶阀和中线夹蝶阀的一些优点,填补了偏心法兰蝶阀和中线夹蝶阀之间的一个空白。阀门启闭部分为圆盘形蝶板,在阀体内绕自身轴线旋转,从而实现启闭或调节功能。驱动方式:手动、气动、电动。产品特性:
适用于食品、医药、化工、石油、电力、轻纺、造纸等给排水和燃气管道中的流量调节和介质拦截。温度120,公称压力1.6兆帕。
其主要特点是:
1.设计新颖合理,结构独特,开合迅速;双向密封性能优异,扭矩值小,零件加工性能优异。
2.操作扭矩小,操作方便,省力灵巧;流动特性趋于平直,具有良好的调节性能。
3.法兰连接安装方便,可垂直安装,也可水平安装。
4.密封件可更换,密封性能可靠,双向密封零泄漏。
5.该密封材料具有耐老化、耐腐蚀、使用寿命长的特点。
6.该阀可在管端用作性能可靠的排气阀。















