工业蝶阀标准:
设计符合性:MSS SP-67,API609,EN593
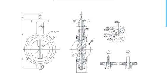
法兰连接标准符合din pn10/16/25、ansi b16.1、bs4504、iso pn10/16、jis b2212/2213、bs 10和D、BS 10和e。
上法兰标准符合ISO 5211标准。
长度标准符合美国石油学会609、ISO 5752-20和英国标准5155。
测试符合性:API598
工业蝶阀的设计特点:
1.扭矩稳定的橡胶座。
2.槽套设计,定位稳定。
3.结构简单,体积小,重量轻。拆卸方便,安装维护方便。
4.最小化操作扭矩。杠杆、齿轮、气动和电动执行器均可提供。
5.特殊设计,高流速,低流阻。
6.适用介质:水、污水、海水、空气、蒸汽、食品、药品、油、酸、碱、盐等。
额定压力下无泄漏。
工业蝶阀:的执行性能
标称尺寸:无后座DN50-DN300
带被子的DN50-DN300座椅
DN350-DN1200
公称压力PN(兆帕):1.0、1.6、2.0、2.5
测试压力(水)MPa:
外壳:标称压力的1.5倍
密封:标称压力的1.1倍















