通风蝶阀产品介绍:
密封圈采用与阀体相同的材料制成,其适用温度取决于阀体的材料选择,其公称压力1.0MPa,一般适用于工业、冶金、环保等管道进行通风和介质流量调节。
通风蝶阀的适用范围:
通风蝶阀的适用温度取决于阀体的材质选择,公称压力1.0MPa,一般适用于工业、冶金、环保、化工、建材、电站、玻璃等行业通风环保工程中的含尘冷风或热风燃气管道,作为调节流量或切断气体介质的管道控制装置。通风蝶阀一般应水平安装在管道中。
通风蝶阀的结构特点:
1.本发明设计新颖合理,结构独特,重量轻,启闭迅速。
2.蝶阀操作扭矩小,操作方便,省力灵巧。
3.采用合适的材料,满足低、中、高及腐蚀性介质等不同介质温度。
4.没有连杆、螺栓等。内部,运行可靠,使用寿命长,不受介质流向影响。
通风蝶阀零件的材料和工作条件:
零件名称 | 材料 |
阀体 | 铸钢、不锈钢、铬镍钼钛钢、铬钼钛钢等特殊材料 |
蝶板 | 铸钢、不锈钢、铬镍钼钛钢、铬钼钛钢等特殊材料 |
密封圈 | 与阀体相同 |
阀杆 | 碳钢、 2Crl3、不锈钢、铬镍钼钛钢 |
填料 | 柔性石墨 |

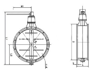
TD41W手柄操作通风蝶阀主要外形连接尺寸返回蝶阀产品列表
DN | D | D1 | L | L1 | n-Фd | b | H1 |
150 | 240 | 210 | 100 | 377 | 8-12 | 8 | 250 |
200 | 290 | 260 | 100 | 426 | 8-12 | 8 | 250 |
250 | 345 | 310 | 120 | 485 | 8-12 | 10 | 350 |
300 | 405 | 370 | 120 | 539 | 8-14 | 10 | 350 |
350 | 455 | 420 | 140 | 539 | 12-18 | 10 | 350 |
400 | 505 | 470 | 140 | 652 | 12-18 | 10 | 450 |
450 | 570 | 530 | 160 | 781 | 16-18 | 10 | 450 |
500 | 620 | 580 | 160 | 835 | 16-18 | 10 | 450 |
600 | 720 | 680 | 180 | 946 | 16-18 | 12 | 550 |
700 | 820 | 780 | 180 | 1044 | 16-18 | 12 | 550 |
800 | 920 | 880 | 200 | 1159 | 16-18 | 12 | 550 |













