电动截止阀由电动执行机构或气动执行机构和截止阀组成。不同的是,它的关闭部分是一个阀体,它绕着阀体的中心线旋转来开启和关闭。闸阀主要用于切断、分配和改变管道中介质的流向。两件式球阀和三件式球阀是近年来广泛应用的一种新型阀门。
优势
1.结构简单,制造维护方便。
2.工作进度短,开、关门时间短。
3.密封性能好,密封面间摩擦小,使用寿命长。
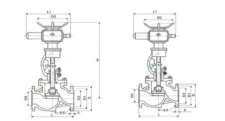
4.截止阀阀体的结构形式有直通式、直流式和直角式。直通式是最常见的结构,但其流体阻力最大。直流流体阻力小,多用于含有固体颗粒或高粘度的流体。直角阀体多为锻造,适用于直径较小、压力较大的截止阀。
5.在启闭过程中,密封面的摩擦力小于闸阀,耐磨。
6.通常只有一个密封面,制造工艺好,维护方便。
7.电动执行器易于操作。















