JD745X多功能泵控制阀由主阀和控制阀及接管系统组成,主阀控制室是直流阀,主阀控制室是隔膜或活塞的双控制室结构,控制室比普通液压控制阀增加了1个,增加了主阀的控制功能,实现了对泵出口的缓慢打开、完全打开、关闭、关闭等多功能控制。阀门,实现一次调节对。
JD745X多功能泵控制阀的主要技术参数:
1、标称压力:1 OMPa、1 6MPa、2 5MPa
2、低运动压力:0 04MPa
3、缓慢关闭时间:3 ~ 60s(可调整)
4、适用介质:水
5、介质温度:0 ~ 80
JD745X多功能泵控制阀工作特性
1.防止锤子运转良好,缓慢打开,减速,缓慢关闭等,整合锤子的技术,防止水泵不打开就停止泵,逆流和锤子对供水管道和水泵造成损害。
2.操作方便,无需在阀门上安装单独的电气控制系统。阀门在泵打开和停止时自动顺序完成控制功能。通过设置调节阀开放度,可以设置相应的控制参数。
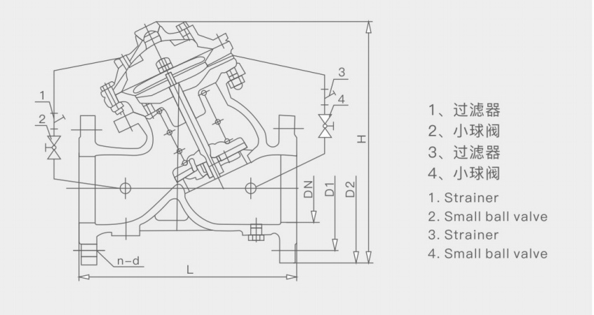
膜多功能泵控制
3、阀体采用全通道、直流、流线型设计。水力损失小,节能效果好。
隔膜多功能泵控制阀PN1.0-4.0MPa主要外形连接尺寸
DN | 50 | 65 | 80 | 100 | 125 | 150 | 200 | 250 | 300 | 350 | 400 | 450 | 500 | 600 | 700 | 800 | 900 | 1000 | 1200 | |
L | PN1.0MPa | 240 | 300 | 310 | 320 | 390 | 460 | 540 | 610 | 700 | 800 | 980 | 1050 | 1100 | 1300 | 1520 | 1750 | 1800 | 2000 | 2350 |
PN1.6MPa | 240 | 300 | 310 | 320 | 390 | 460 | 540 | 640 | 800 | 800 | 980 | 1050 | 1140 | 1350 | 1550 | 1750 | 1850 | 2050 | 2400 | |
PN2.5MPa | 250 | 300 | 310 | 350 | 410 | 470 | 560 | 670 | 800 | 820 | 1000 | 1060 | 1140 | 1350 | 1550 | 1750 | 1900 | - | - | |
PN4.0MPa | 265 | 340 | 340 | 370 | 420 | 470 | 560 | 670 | 860 | 940 | 1020 | 1100 | 1180 | - | - | - | - | - | - | |
H | 293 | 328 | 364 | 418 | 481 | 543 | 673 | 729 | 927 | 957 | 1188 | 1218 | 1256 | 1600 | 1800 | 1870 | 1980 | 2300 | 2860 | |














